L'ESPANSIONE    E552-E1






    CARATTERISTICHE TECNICHE:

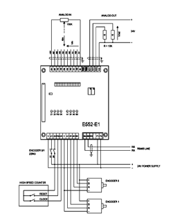
  • 8 ingressi analogici configurabili in tensione 0-5V, 0-10V, e in corrente 0-20 mA con una risoluzione di 10 BIT;
  • 2 uscite analogiche in tensione 0-10V max con risoluzione 8 bit con taratura tensione massima di uscita tramite trimmer multigiri (5-10.5Vdc);
  • Isolamento galvanico delle uscite e protezione dalle sovratensioni e al cortorircuito permanente;
  • Massimo carico applicabile sull'uscita: > 10Kohm;
  • 8 ingressi digitali optoisolati PNP a 24Vdc con led di segnalazione o in alternativa:
  • 1 contatore veloce monodirezionale a 16 BIT con reset hardware;
  • Massima frequenza di conteggio del contatore: 150KHz;
  • Ingressi clock e reset optoisolati PNP e PUSH-PULL 24Vdc;
  • 2 contatori bidirezionali per encoder AB con risoluzione X4 e zero hardware/software;
  • Massima frequenza encoder: 10KHz con 2 encoder, 20KHz con 1 encoder;
  • Ingressi A, B, ZERO optoisolati PNP e PUSH-PULL a 24Vdc;
  • DIP-SWITCH per selezione modalità. Possibilità di sviluppo modalità su specifica richiesta;
  • Seriale veloce RS485 per connessione come SLAVE su rete bifilare;
  • DIP-SWITCH per selezione indirizzo SLAVE (1-31) e jumper per chiusura linea seriale;
  • Protocollo di comunicazione su RS485 compatibile con MASTER serie ICL51;
  • Alimentazione 24Vac/dc -20% +10% (assorbimento massimo 150mA);
  • Temperatura operativa: 0÷50 °C;
  • Connettori maschi per morsetti a vite estraibili ad alta affidabilitá;
  • Montaggio su guida DIN. Dimensioni massime di ingombro: 112x118x80 mm;
  • MANUALE TECNICO IN FORMATO PDF;
  • DRIVERS PER IL COLLEGAMENTO;
  • Programma per trasformare i contatori a due byte con segno in contatori a quatto byte con segno;




Torna alla Home page